首页
关于我们
公司介绍
公司理念
设备展示
产品中心
机床与配件
卫浴 / 阀门
汽车配件
新闻资讯
联系我们
语言选择
英文版
俄文版
产品展示
Home
Pages
Contact
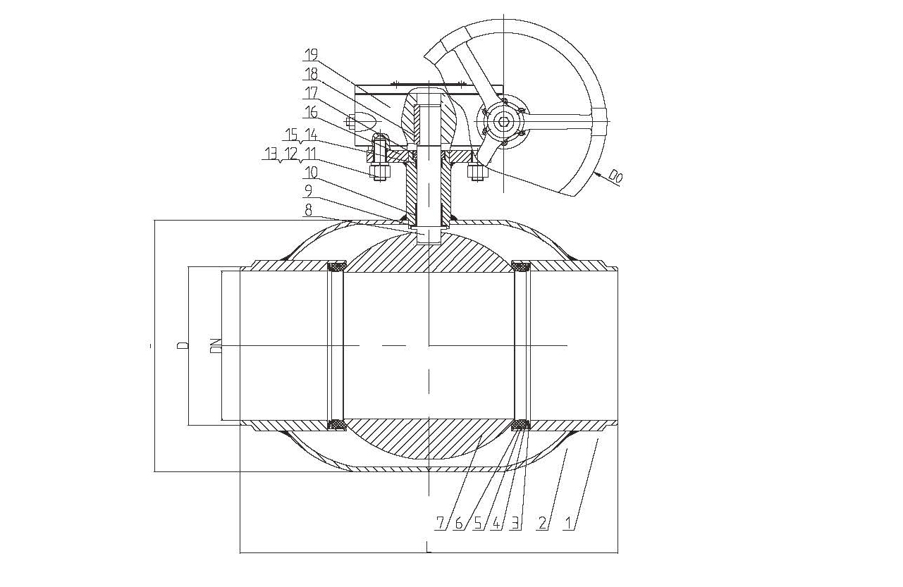
Q361F-16C
全焊接球阀
本公司保证所供产品均会用合理工艺和合格的材料制造而成,并符合合同规定的质量、规格和性能要求。保证阀门设备经正确安装,正常运行和保养,在其使用寿命内具有满意性能。产品制造完成后,我公司对设备质量,性能要求按合同规定进行详细而全面的检测,保证质量达到要求并出具产品合格证、检验记录。并通知买方是否来厂检查和验收产品。